Startseite
|
Kontakt
|
Jobs
|
Messen
≡
Abfüllmaschinen
Verschliessmaschinen
Füll- und Verschliessmaschinen
Etikettier- Sortier- Zuführgeräte
Unternehmen
Aktuelles
Abfüllmaschinen
Verschließmaschinen
Füll- und Verschließmaschinen
teilautomatische Modelle EAS
vollautomatische Modelle FVM
Modelle GFV / GFVE
Modelle GLFV 1000 / 2000
Etikettier- Sortier- Zuführgeräte
Unternehmen
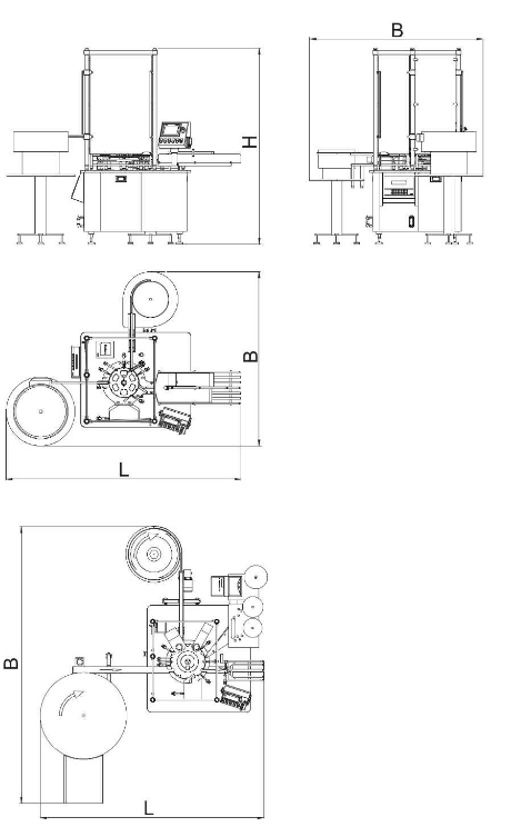
GFV 1000 / GFVE 1000
Füll- und Verschließaschine mit Etikettier- und Etikettenbedruckungsstation
Alle wichtigen Einzelheiten zusammengefasst:
für standfeste und nicht standfeste Behältnisse
für Pharmazie, Galenik, Chemie, Kosmetik etc.
platzsparende Bauweise, GMP / FDA gerechter Standard
für wässrige bis viskose Produkte
Verschlussarten Eindrückstopfen- / Aufdrückkappen, Crimp- und Schraubkappen, Siegelkappen etc.
das Maschinendesign optimiert die LF-Wirkung
Etikettier- und Bedruckungsstation
Technische Daten
Leistung max. /h:
3600 Stück
Elektrische Werte:
230 / 400 V 50 / 60 Hz
Verarbeitungsberecih:
Gebinde aus Glas oder Kunststoff
Ø 7 - 55 mm, Höhe bis 100 mm
Dosierbereich:
0,1 - 200 ml
Ausführung:
das gesamte Äußere besteht aus hochwertigem Edelstahl, Aluinium oder Kunststoff
Arbeitshöhe:
900 +/- 20 mm
Abmessungen:
ca 2.500 x 1.900 x 2.100 mm
(L x B x H)
Abfüllmaschinen
halbautomatisch flüssig
halbautomatisch pastös
halbautomatisch + schäumend
halbautomatisch Kanister
vollautomatisch Reihenfüller
Trinkasser-Abfüllanlage
Verschließmaschinen
Verschrauber
Siegelmaschine: Tiegel, Dosen und Flaschen
Verschließmaschine für Kunststofftuben
Verschließmaschine für Metalltuben
Füll- und Verschließmaschinen
teilautomatische Modelle EAS
vollautomatische Modelle FVM
Modelle GFV
Modelle GLFV
Etikettier- Sortier- Zufuhrgräte
Etikettiermaschine
Scheibensortierer
Vibrationssortierer
Ständerfüße
Unternehmen
Aktuelles
Ansprechpartner Deutschland
Anfahrt Zentrale Deutschland
Vertretung Österreich
Impressum
Datenschutzerkärung